NaturezaMédio
Questão 126 — ENEM 2019Caderno azul · 2º Dia
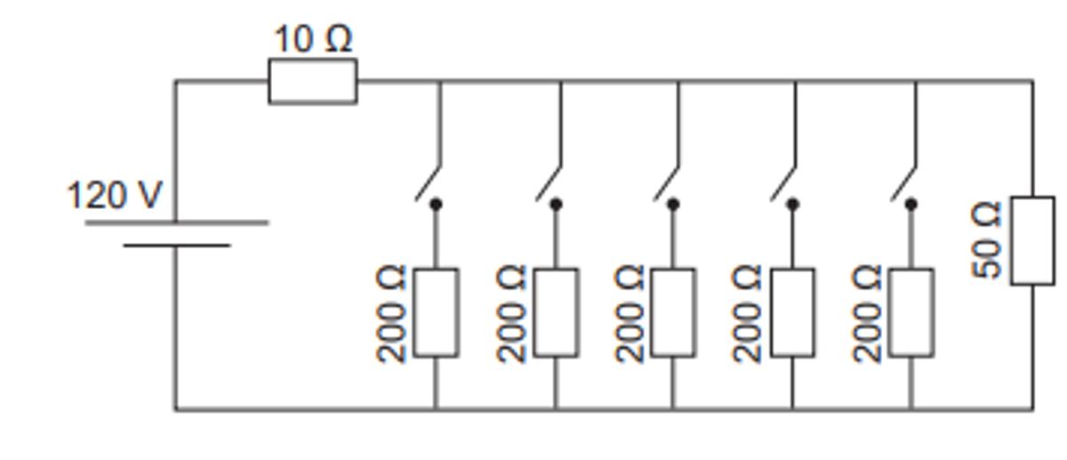
Uma casa tem um cabo elétrico mal dimensionado, de resistência igual a 10 Ω, que a conecta à rede elétrica de 120 V. Nessa casa, cinco lâmpadas, de resistência igual a 200 Ω, estão conectadas ao mesmo circuito que uma televisão de resistência igual a 50 Ω, conforme ilustrado no esquema. A televisão funciona apenas com tensão entre 90 V e 130 V.

O número máximo de lâmpadas que podem ser ligadas sem que a televisão pare de funcionar é:
Alternativas
Resolução
Resolução em breve.