NaturezaMédio
Questão 110 — ENEM 2017Caderno azul · 2º Dia
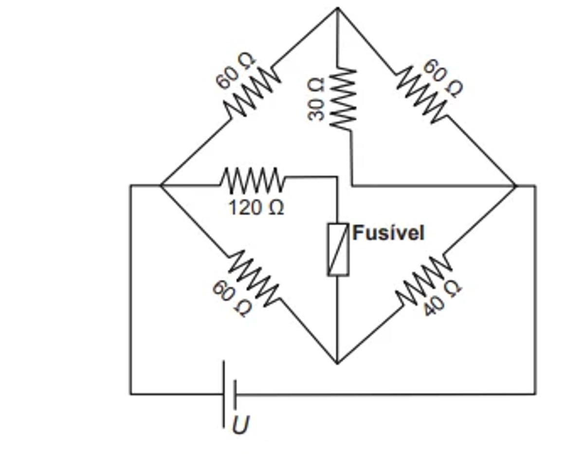
Fusível é um dispositivo de proteção contra sobrecorrente em circuitos. Quando a corrente que passa por esse componente elétrico é maior que sua máxima corrente nominal, o fusível queima. Dessa forma, evita que a corrente elevada danifique os aparelhos do circuito. Suponha que o circuito elétrico mostrado seja alimentado por uma fonte de tensão U e que o fusível suporte uma corrente nominal de 500 mA.

Qual é o máximo valor da tensão U para que o fusível não queime?
Alternativas
Resolução
Resolução em breve.